首页 >> 产品中心 >>无热化镜头 >> 25mm/F0.8无热化镜头
详细说明

25mm/F0.8无热化镜头

收藏
  • 商品说明

产品说明——325W/0.8

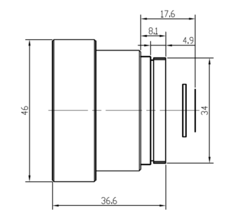
1. 外型尺寸 (如图1)

 

 

 1

2. 参数 :

焦距:              25mm

F#                0.8

透过率            85%

波段              8~12μm

探测器:    640×480, 17μm

视场角:    24.6°×18.5°

工作温度    -40℃~60℃

外形尺寸       Ø46×L36.6mm

重量     86g

             


版权所有:北京红源盛达光电技术有限公司    

备ICP:备17073325号-1  

COPYRIGHT2014-2025All RIGHTS RESERVED

技术支持: 博睿雪慧 | 管理登录
×
seo seo