首页 >> 产品中心 >>常规镜头 >> 8mm/F1.0电动镜头
详细说明

8mm/F1.0电动镜头

收藏
  • 商品说明


产品说明——HGL308FD/1.0

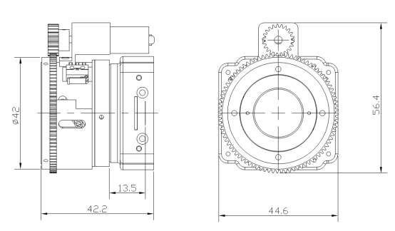
1.外形尺寸(如图1)

1

2.主要参数:

         焦距:               8mm

         F#:                  1.0

         波段:               8~12μm

探测器:     640×480, 17μm

FOV:      83.5°×60°

作用距离    0.5m~

         电机电压:           DC6 V

外形尺寸:           φ42×L42.2 (详见外形图)

重量:     133g (含接口)


版权所有:北京红源盛达光电技术有限公司    

备ICP:备17073325号-1  

COPYRIGHT2014-2025All RIGHTS RESERVED

技术支持: 博睿雪慧 | 管理登录
×
seo seo